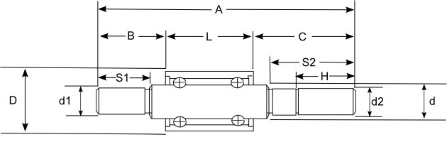
BUSCADOR DE BALEROS PARA BOMBA DE AGUA No. Parte d1 Grueso del Eje Sup. d2 Grueso del Eje Inf. L Alto de Cuerpo D Ancho de Cuerpo C larg. eje Sup. B Larg. eje Inf. Acción Filtrar Limpiar 2L9P5203R 19 13 19 40 38 16 Cotizar 353-R 16 16 39 30 37 28 Cotizar 665329 16 16 39 30 20 Cotizar 665476 16 16 39 30 49 Cotizar 665-716 16 19 54 38 47 41 Cotizar 665-717 16 16 54 38 50 47 Cotizar 665733 16 19 54 38 74 63 Cotizar 665735 16 16 54 38 50 32 Cotizar 665746 19 16 54 38 63 40 Cotizar 665781 19 16 54 38 43 38 Cotizar 665806 16 16 54 38 39 33 Cotizar 665807 19 16 54 38 54 45 Cotizar 665813 16 16 54 38 69 52 Cotizar 665846 19 12 54 38 71 53 Cotizar 885001 16 16 39 30 35 Cotizar 885104 A 16 16 39 30 50 43 Cotizar 885117 16 16 39 30 65 58 Cotizar 885118 16 16 39 30 37 Cotizar 885140 16 16 39 30 23 Cotizar 885141 16 16 39 30 63 26 Cotizar 885144 16 16 39 30 64 40 Cotizar 885152 16 16 39 30 31 5 Cotizar 885154 B 16 16 39 30 31 29 Cotizar 885166 K 16 12 39 30 39 20 Cotizar 885167 16 16 39 30 49 49 Cotizar 885168 C 16 16 39 30 55 28 Cotizar 885329 16 16 39 30 20 Cotizar 885332 16 16 39 30 21 Cotizar 885521 16 16 39 30 40 Cotizar 885613 16 16 39 30 30 Cotizar 885701 16 16 54 38 65 36 Cotizar 885701 B 16 16 54 38 65 36 Cotizar 885701 C 16 16 54 38 36 Cotizar 885735 19 16 54 38 32 Cotizar 885747 16 16 54 38 56 36 Cotizar 885795 16 19 54 38 30 Cotizar 885795 SC 19 16 54 38 72 30 Cotizar 885810 16 16 54 38 37 Cotizar 885815 A 19 16 54 38 35 Cotizar 885826 16 16 54 38 43 Cotizar 885845 E 19 12 54 38 55 32 Cotizar 885851 16 16 54 38 49 39 Cotizar 885859 19 16 54 38 38 23 Cotizar 885862 B 16 16 54 38 31 Cotizar 885862 C 16 16 54 38 31 Cotizar 885887 19 12 54 38 52 32 Cotizar BRW-03 16 12 39 30 34 13 Cotizar F110734 16 12 39 30 52 19 Cotizar R266 16 16 39 30 65 19 Cotizar RWF-28-1K 17 16 20 30 42 13 Cotizar SWP 7121 A 16 12 30 35 40 16 Cotizar W22R095 L 22 12 32 42 49 18 Cotizar W2482S.J3177 16 12 39 30 58 27 Cotizar W2B103 RR6 12 12 39 26 43 22 Cotizar W7B078 CRR6 17 12 23 30 40 16 Cotizar W7B086 RR6 17 12 30 35 40 16 Cotizar W7B114 16 12 39 35 50 25 Cotizar WB 3093 12 12 39 30 38 17 Cotizar WB 38123 16 16 54 38 38 33 Cotizar WIR 1734120 17 12 47 34 44 28 Cotizar WK 2624 19 16 54 38 69 36 Cotizar WKN 2454 D 19 12 38 38 23 Cotizar WKN 2543 19 16 54 38 51 33 Cotizar WKN 2569 19 16 54 38 60 34 Cotizar WN 2376 16 12 27 30 47 20 Cotizar WN 2479 S 16 16 39 30 52 31 Cotizar WNS 2348-5 16 12 27 30 18 20 Cotizar WNS 2500-1B 25 15 53 55 49 27 Cotizar WNS 2500-1 25 15 60 55 42 27 Cotizar WPB 1089 K 12 16 39 30 35 18 Cotizar WR 11871 16 12 30 30 118 25 Cotizar WS 2332-1 16 16 27 30 40 17 Cotizar WS 2351 16 12 27 30 41 20 Cotizar OS 173012 17 12 23 30 40 16 Cotizar OS 2L9P5203 R 19 13 19 40 38 16 Cotizar OS 353 R 16 16 39 30 37 28 Cotizar OS 665329 16 16 39 30 20 Cotizar OS 665-476 16 16 39 30 49 Cotizar OS 665-716 16 19 54 38 47 41 Cotizar OS 665-717 19 18 54 38 50 47 Cotizar OS 665733 16 19 54 38 74 63 Cotizar OS 665735 19 16 54 38 50 32 Cotizar OS 665746 19 16 54 38 63 40 Cotizar OS 665781 19 16 54 38 43 38 Cotizar OS 665806 16 16 54 38 39 33 Cotizar OS 665807 19 16 54 38 54 45 Cotizar OS 665813 16 16 54 38 69 52 Cotizar OS 665846 19 12 54 38 71 53 Cotizar OS 885001 16 16 39 30 35 Cotizar OS 885104 A 16 16 39 30 50 43 Cotizar OS 885117 16 16 39 30 65 58 Cotizar OS 885118 16 16 39 30 37 Cotizar OS 885140 16 16 39 30 23 Cotizar OS 885141 16 16 39 30 63 26 Cotizar OS 885144 16 16 39 30 64 40 Cotizar OS 885152 16 16 39 30 31 5 Cotizar OS 885154 B 16 16 39 30 31 29 Cotizar OS 885166 K 16 12 39 30 39 20 Cotizar OS 885167 16 16 39 30 49 49 Cotizar OS 885168 C 16 16 39 30 55 28 Cotizar OS 885327 16 12 39 30 43 30 Cotizar OS 885329 16 16 39 30 20 Cotizar OS 885332 16 16 39 30 21 Cotizar OS 885521 16 16 39 30 40 Cotizar OS 885613 16 16 39 30 30 Cotizar OS 885701 16 16 54 38 65 36 Cotizar OS 885701 B 16 16 54 38 65 36 Cotizar OS 885701 C 16 16 54 38 36 Cotizar OS 885735 19 16 54 38 32 Cotizar OS 885747 16 16 54 38 56 36 Cotizar OS 885795 16 19 54 38 30 Cotizar OS 885845 E 19 12 54 38 55 32 Cotizar OS 885851 16 16 54 38 49 39 Cotizar OS 885859 19 16 54 38 38 23 Cotizar OS 885862 B 16 16 54 38 31 Cotizar OS 885862 C 16 16 54 38 31 Cotizar OS 885887 19 12 54 38 52 32 Cotizar OS BRW-03 16 12 39 30 34 13 Cotizar OS F110734 16 12 39 30 52 19 Cotizar OS R266 16 16 39 30 65 19 Cotizar OS RWF 28-1K 17 16 20 30 42 13 Cotizar OS SWP 7121 A 16 12 30 35 40 16 Cotizar OS W22R095L 22 12 32 42 49 18 Cotizar OS W2482S.J3177 16 12 39 30 58 27 Cotizar OS W7B078 CRR6 17 12 23 30 40 16 Cotizar OS W7B086 RR6 18 12 30 35 40 16 Cotizar OS W7B114 18 12 39 35 50 25 Cotizar OS WB3093 12 12 39 30 38 17 Cotizar OS WB38123 16 16 54 38 38 33 Cotizar OS WIR1734120 18 12 47 34 44 28 Cotizar OS WK2624 19 16 54 38 69 36 Cotizar OS WKN 2454 D 19 12 38 38 23 Cotizar OS WKN 2543 19 16 54 38 51 33 Cotizar OS WKN 2569 19 16 54 38 60 34 Cotizar OS WN 2376 16 12 27 30 47 20 Cotizar OS WN 2479 S 16 16 39 30 52 31 Cotizar OS WNS 2348-5 16 12 27 30 18 20 Cotizar OS WR 11871 16 12 27 30 118 25 Cotizar OS WS 2332-1 16 16 27 30 40 17 Cotizar OS WS 2351 16 12 27 30 41 20 Cotizar